欢迎来访天津津达通机械有限公司官网
加入收藏
|
设为首页
|
联系我们
服务热线
022-29897991
网站首页
关于我们
企业简介
企业荣誉
企业文化
企业园区
产品中心
砖机组系列
配套模具系列
搅拌机系列
配料机系列
码垛机系列
养护搬运子母窑车
产品视频
新闻资讯
行业新闻
公司新闻
产品应用
路面砖工程
墙体砖工程
道路工程
生态水利工程
护坡景观挡土墙工程
服务专区
售后与服务
典型工程案例
设备维修与保养指南
客户在线咨询与问答
产品说明书下载
联系我们
联系我们
Previous
Next
服务专区
售后与服务
操作指南
办厂顾问
典型工程案例
设备维修与保养指南
客户在线咨询与问答
产品说明书下载
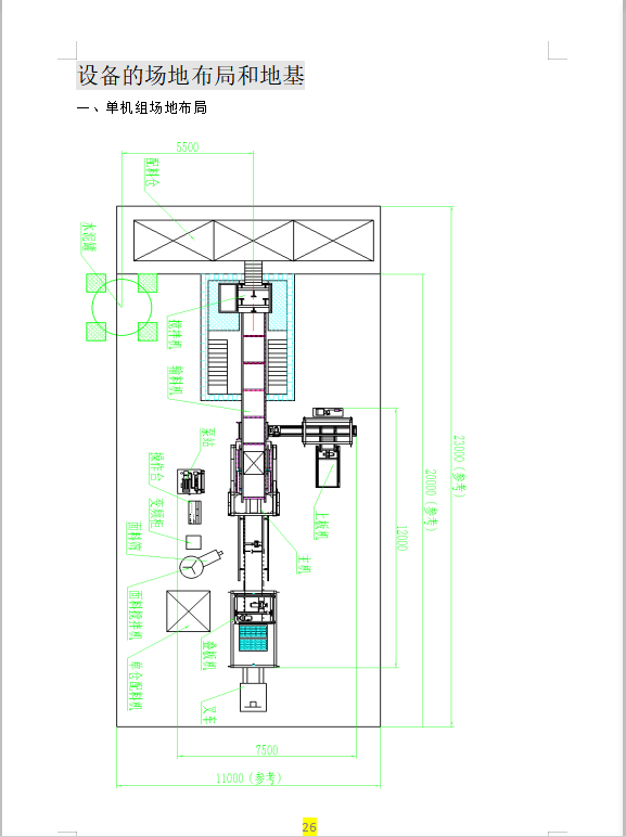
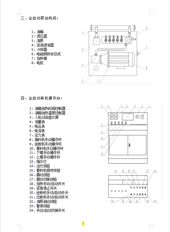
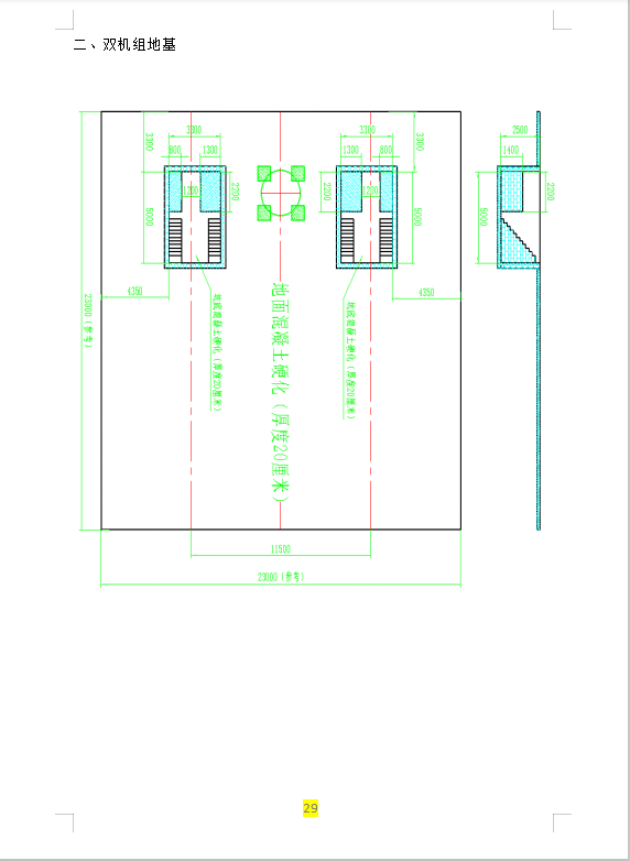
操作指南
1)制砖机使用说明书
发布日期:
2019/04/16
浏览次数:
4836
上一篇:
没有了
下一篇:
2)控制系统操作指南